
Вспыхнул энтузиазм, пылающий желанием создать что-то уникальное своими руками? Хотите погрузиться в мир электроники и освоить новые навыки? Предлагаем вам руководство, которое поможет вам собрать твердотельное реле – компонент, который может стать непременным помощником в управлении электрическими схемами.
Как это работает? Твердотельное реле – это устройство электроники, которое позволяет контролировать поток электричества с помощью полупроводниковых компонентов вместо механических контактов. Это дает возможность создавать устойчивое и надежное соединение без износа и коррозии, а также значительно увеличивает срок службы устройства.
Конструкция твердотельного реле сравнительно проста, состоящая из нескольких ключевых компонентов, которые может собрать каждый желающий. В этом руководстве мы пошагово разберем процесс сборки данного электронного устройства, а также предоставим вам необходимые ресурсы и инструкции для успешного окончания проекта. Готовы? Давайте начнем создавать ваше собственное твердотельное реле!
Выбор компонентов для создания твердотельных реле: Критерии определения параметров для индивидуального проекта
Первым шагом является определение номинального напряжения, тока и мощности, которые должно выдерживать твердотельное реле. Также необходимо учитывать рабочую температуру и количество операций, которые реле должно выполнить в пределах своей жизненного цикла. Важно обратить внимание на допустимые токи, сопротивление и изоляцию компонентов.
Кроме того, следует учесть специальные требования вашего проекта, например, наличие защиты от электромагнитных помех или требования к размерам и весу реле. Существуют различные типы твердотельных реле, включая однополярные, двухполярные, трехполярные и четырехполярные реле, каждое из которых имеет свои особенности и предназначение.
Советы по надежности и качеству компонентов:
| Совет | Пояснение |
|---|---|
| Выбирайте компоненты от надежных производителей | Компоненты от известных производителей чаще всего обеспечивают более высокую надежность и качество, чем неизвестные бренды. |
| Проверяйте документацию и сертификаты | Убедитесь, что компоненты имеют все необходимые документы и сертификаты подтверждающие их соответствие стандартам. |
| Учитывайте рекомендации производителей реле | Производители обычно рекомендуют определенные компоненты для своих реле, так как они прошли все необходимые испытания и обеспечивают оптимальную работу. |
| Прогнозируйте будущие требования | При выборе компонентов учитывайте возможные изменения в проекте в будущем, чтобы избежать необходимости замены компонентов. |
Тщательный подход к выбору компонентов позволит создать надежные и качественные твердотельные реле, которые будут соответствовать требованиям конкретного проекта.
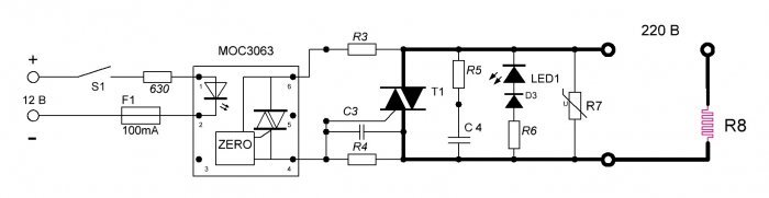
Схема сборки — Описание компонентов и их функций — Подключение по схеме
Для успешной сборки твердотельного реле необходимо ознакомиться с соответствующей схематической диаграммой, которая определит правильное расположение и подключение компонентов. В этом разделе мы подробно рассмотрим каждый элемент схемы, описывая их функции и роль в работе твердотельного реле, а также дадим инструкции по их подключению в соответствии с указанной диаграммой.
1. Транзистор
2. Диод
Диод в схеме твердотельного реле играет роль защиты от обратного тока, позволяя пропускать ток только в одном направлении. Он устанавливается параллельно нагрузке и направляет ток в нужном направлении, предотвращая его обратное движение. Подключение диода должно быть выполнено таким образом, чтобы его анод был связан с положительной половиной цепи, а катод — с отрицательной.
Подключение остальных элементов схемы должно быть выполнено согласно указанной схематической диаграмме, обращая внимание на правильность соединений и учет полярности компонентов. Это необходимо для правильной работы и надежности твердотельного реле. При сомнениях следует обратиться к схеме или к специалисту для получения дополнительной помощи в сборке и подключении.
Тестирование и отладка собранного устройства — Проверка работоспособности перед включением в схему — Поиск и исправление потенциальных ошибок и неисправностей

Даже после полной сборки твердотельного реле важно провести тестирование и отладку, чтобы убедиться в его работоспособности перед подключением к цепи. В данном разделе мы рассмотрим методы проверки этого устройства и способы выявления и устранения возможных ошибок и неисправностей.
Проверка работоспособности
Перед тем как приступить к подключению твердотельного реле в схему, рекомендуется провести его проверку на работоспособность. Для этого следует использовать соответствующее оборудование и тестовые сигналы. При выполнении проверки необходимо убедиться, что все компоненты реле функционируют надлежащим образом и взаимодействуют друг с другом.
Выявление и устранение ошибок
В процессе тестирования твердотельного реле может возникнуть необходимость в выявлении и исправлении возможных ошибок. Для этого рекомендуется использовать специальные инструменты и методы, такие как анализ сигналов, проверка электрических соединений и обнаружение возможных коротких замыканий или перекосов напряжения. При обнаружении ошибок следует проанализировать их причины и принять меры для их устранения.
Исправление неисправностей
Если в процессе тестирования твердотельного реле были обнаружены неисправности, необходимо принять меры для их исправления. Это может включать замену поврежденных компонентов, настройку параметров реле или внесение изменений в конструкцию устройства. Важно точно определить и устранить причину неисправности, чтобы обеспечить надежную и безопасную работу устройства в цепи.
В результате тестирования, выявления и устранения ошибок и неисправностей, можно убедиться, что собранное твердотельное реле функционирует должным образом и готово к подключению в цепи. Этот процесс позволяет избежать непредвиденных проблем и обеспечить стабильную и эффективную работу устройства на практике.